VTEM Banners
VTEM Banners
VTEM Banners
VTEM Banners
VTEM Banners

Cilindros neumáticos DAYMONT

 
 

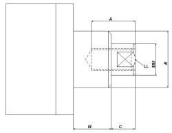
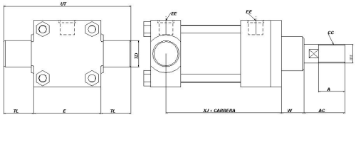
Cilindros neumaticos con montaje basico (ms4 huecos) tensor frontal (mx2) tensor posterior (mx3)

 

 

 

 

 

 

 


TABLA DE MEDIDAS Nº 1



DIAMETRO CILINDRO E± 1/64" EE (NPT) ST TN ØNT E/2±0,2 SN + C + CARRERA ZB + C + CARRERA AA
1" 1.7/16" 1/8" 23/32" 7/16" 3/16" - 24" 23/32" 1. 13/32" 2. 1/4" 1"
1.1/4" 1. 27/32" 1/4" 13/16" 5/8" 1/4" - 20" 59/64" 1. 23/32" 3. 1/32" 1. 3/8"
1.1/2" 2. 3/16" 1/4" 13/16" 1" 1/4" - 20" 1. 3/32" 2" 3. 11/32" 1. 5/8"
2" 2. 11/16" 1/4" 1. 1/16" 1. 3/16" 5/16" - 18" 1. 11/32" 2. 5/32" 3. 13/16" 2"
2.1/2" 3" 1/4" 1" 1. 1/4" 1/2" - 13" 1. 1/2" 2. 1/4" 3. 13/16" 2. 3/8"
3" 3. 25/32" 3/8" 1. 9/64" 1. 23/32" 1/2" - 13" 1. 29/32" 2. 7/16" 4. 1/8" 2. 7/8"
4" 4. 23/32" 3/8" 1. 9/64" 2. 1/2" 5/8" - 11" 2. 23/64" 2. 7/16" 4. 1/8" 3. 5/8"
5" 5. 11/16" 1/2" 1. 9/64" 2. 11/16" 5/8" - 11" 2. 27/32" 2. 11/16" 4. 3/8" 4. 3/8"
6" 6. 1/2" 1/2" 1. 5/32" 3. 1/4" 3/4" - 10" 3. 1/4" 2. 5/8" 4. 17/32" 5. 1/32"
8" 8. 21/32" 3/4" 1. 3/8" 4. 1/2" 3/4" - 10" 4. 21/64" 3" 5. 1/4" 6. 1/2"
DIAMETRO CILINDRO BB Ø DD KA Ø MM CC A AC W
1" 5/8" 3/16" 5/32" 3/8" 3/8"-24 3/4" 1" 3/8"
1.1/4" 5/8" 1/4" 3/16" 1/2" 1/2"-20 25/32" 1. 1/4" 7/16"
1.1/2" 3/4" 1/4" 1/4" 5/8" 5/8"-18 7/8" 1. 13/32" 3/4"
2" 7/8" 5/16" 1/4" 5/8" 5/8"-18 7/8" 1. 13/32" 5/8"
2.1/2" 7/8" 5/16" 1/4" 5/8" 5/8"-18 7/8" 1. 13/32" 5/8"
3" 1" 3/8" 5/16" 1" 1"-14 1. 3/16" 1. 7/8" 51/64"
4" 1" 3/8" 5/16" 1" 1"-14 1. 3/16" 1. 7/8" 51/64"
5" 1. 1/4" 1/2" 7/16" 1" 1"-14 1. 3/16" 1. 7/8" 51/64"
6" 1. 1/4" 1/2" 7/16" 1. 1/2" 1. .1/4"-12 1. 21/32" 2. 13/32" 5/8"
8" 1. 1/2" 3/4" 9/16" 1. 3/4" 1. 1/2"-12 2" 2. 3/4" 5/8"
 
  Descargar PDF
 
 

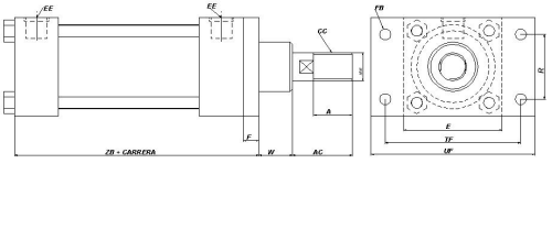
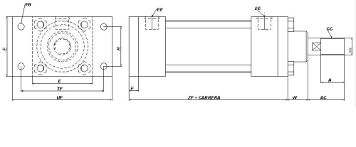
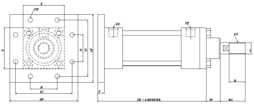
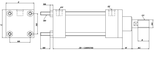
Tabla de medidas para cilindros neumaticos con montaje flanche frontal (mf1) flanche posterior (mf2)

 

 

 

 

 

 

 


FLANCHE FRONTAL CUADRADO (MF5) FLANCHE POSTERIOR CUADRADO (MF6)




DIAMETRO CILINDRO E± 1/64" EE (NPT) F ØFB R TF UF
1" 1. 7/16" 1/8" 3/8" 7/32" 3/4" 2. 3/64" 2. 11/16"
1.1/4" 1. 27/32" 1/4" 3/8" 1/4" 1. 3/16" 2. 7/16" 3. 1/16"
1.1/2" 2. 3/16" 1/4" 3/8" 1/4" 1. 29/64" 3. 1/32" 3. 21/32"
2" 2. 11/16" 1/4" 1/2" 5/16" 1. 27/32" 3. 17/32" 4. 11/32"
2.1/2" 3" 1/4" 1/2" 5/16" 2. 13/64" 3. 15/16" 4. 3/4"
3" 3. 25/32" 3/8" 5/8" 3/8" 2. 3/4" 4. 11/16" 5. 1/2"
4" 4. 25/32" 3/8" 5/8" 5/8" 3. 11/32" 5. 25/32" 6. 7/8"
5" 5. 11/16" 1/2" 5/8" 9/16" 4. 7/32" 6. 3/4" 7. 7/8"
6" 6. 1/2" 1/2" 5/8" 9/16" 4. 27/32" 7. 19/32" 8. 21/32"
8" 8. 21/32" 3/4" 3/4" 3/4" 7. 1/16" 10. 1/4" 11. 3/16"
DIAMETRO CILINDRO ZB + CARRERA ZF + CARRERA ØMM CC (UNF) A AC W
1" 2. 1/2" 2. 7/8" 3/8" 3/8"-24 3/4" 1. 1/8" 3/8"
1.1/4" 3. 1/32" 3. 13/32" 1/2" 1/2"-20 25/32" 1. 1/4" 7/16"
1.1/2" 3. 5/16" 3. 21/32" 5/8" 5/8"-18 7/8" 1. 7/16" 3/4"
2" 3. 13/16" 4. 5/16" 5/8" 5/8"-18 7/8" 1. 7/16" 5/8"
2.1/2" 3. 13/16" 4. 5/16" 5/8" 5/8"-18 7/8" 1. 7/16" 5/8"
3" 4. 1/8" 4. 23/32" 1" 1"-14 1. 3/16" 1. 7/8" 51/64"
4" 4. 1/8" 4. 23/32" 1" 1"-14 1. 3/16" 1. 7/8" 51/64"
5" 4. 3/8" 4. 15/16" 1" 1"-14 1. 3/16" 1. 7/8" 51/64"
6" 4. 13/32" 5" 1. 1/2" 1. .1/4"-12 1. 21/32" 2. 13/32" 5/8"
8" 5. 1/4" 6" 1. 3/4" 1. 1/2"-12 2" 2. 3/4" 5/8"
 
  Descargar PDF
 
 

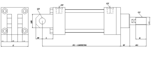
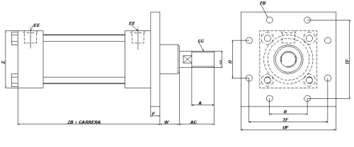
Cilindros neumáticos con montaje de pies (ms-2) y pivote posterior (mp-1)

 

 

 

 

 

 


DIAMETRO CILINDRO E± 1/64" EE (NPT) ØSB ST E/2±1/64" SU SW TS US SS + CARRERA L
1" 1. 7/16" 1/8" 7/32" 1/4" 23/32" 3/8" 3/8" 2" 2. 9/16" 1. 23/32" 1/2"
1.1/4" 1. 27/32" 1/4" 1/4" 1/2" 59/64" 3/8" 3/8" 2. 1/2" 3.1/8" 2. 5/16" 5/8"
1.1/2" 2. 3/16" 1/4" 3/8" 1/2" 1. 3/32" 3/8" 3/8" 3" 3. 13/16" 2. 9/16" 7/8"
2" 2. 11/16" 1/4" 3/8" 1/2" 1. 11/32" 3/8" 3/8" 3. 1/2" 4. 1/4" 2. 27/32" 7/8"
2.1/2" 3" 1/4" 3/8" 1/2" 1. 1/2" 3/8" 3/8" 3.3/4" 4 .9/16" 2. 27/32" 7/8"
3" 3. 25/32" 3/8" 1/2" 3/4" 1. 57/64" 5/8" 5/8" 4. 13/16" 5. 13/16" 2. 15/16" 1. 1/4"
4" 4. 23/32" 3/8" 1/2" 3/4" 2. 23/64" 5/8" 5/8" 5. 3/4" 6. 3/4" 2. 15/16" 1. 1/4"
5" 5. 11/16" 1/2" 3/4" 1" 2. 27/32" 5/8" 5/8" 7. 3/16" 8. 11/16" 3. 3/16" 1. 1/4"
6" 6. 1/2" 1/2" 3/4" 1" 3. 1/4" 3/4" 3/4" 8" 9. 1/2" 3. 1/32" 1. 1/2"
8" 8. 21/32" 3/4" 3/4" 1" 4. 21. 64" 3/4" 3/4" 10. 5/32" 11. 5/8" 3. 3/4" 1. 1/2"
DIAMETRO CILINDRO M ØCD MR CB CW XC + CARRERA ØMM CC A AC W
1" 5/16" 5/16" 3/4" 3/8" 1/4" 2. 15/16" 3/8" 3/8"-24 3/4" 1" 3/8"
1.1/4" 3/8" 5/16" 7/8" 3/8" 1/4" 3. 21/32" 1/2" 1/2"-20 25/32" 1. 1/4" 7/16"
1.1/2" 1/2" 1/2" 1. 1/8" 1/2" 3/8" 4. 1/8" 5/8" 5/8"-18 7/8" 1. 13/32" 3/4"
2" 1/2" 1/2" 1. 1/8" 1/2" 3/8" 4. 11/16" 5/8" 5/8"-18 7/8" 1. 13/32" 5/8"
2.1/2" 1/2" 1/2" 1. 1/8" 3/4" 3/8" 4. 11/16" 5/8" 5/8"-18 7/8" 1. 13/32" 5/8"
3" 3/4" 3/4" 1. 3/4" 1" 5/8" 5. 3/8" 1" 1"-14 1. 3/16" 1. 7/8" 51/64"
4" 3/4" 3/4" 1. 3/4" 1" 5/8" 5. 3/8" 1" 1"-14 1. 3/16" 1. 7/8" 51/64"
5" 3/4" 3/4" 1. 3/4" 1. 1/4" 5/8" 5. 5/8" 1" 1"-14 1. 3/16" 1. 7/8" 51/64"
6" 1" 1" 2" 1. 1/2" 3/4" 6" 1. 1/2" 1.1/4"-12 1. 21/32" 2. 13/32" 5/8"
8" 1" 1" 2" 1. 1/2" 3/4" 6. 3/4" 1. 3/4" 1.1/2"-12 2" 2. 3/4" 5/8"
 
  Descargar PDF
 
 

Cilindros neumaticos con montaje balancin frontal (mt-1) balancin posterior (mt-2) balancin central (mt-4)

 

 

 

 

 

 

 




DIAMETRO
CILINDRO
E± 1/64" EE (NPT) ØTD TL UT TM UM XM XG XJ + CARRERA
1" 1. 7/16" 1/8" 1/2" 5/8" 2. 27/32" 1. 27/32" 3. 1/4" 1 .13/32" 23/32" 2. 1/8"
1.1/4" 1. 27/32" 1/4" 5/8" 3/4" 3. 17/16" 2. 3/16" 3. 25/32" 1. 3/4" 13/16" 2. 9/16"
1.1/2" 2. 3/16" 1/4" 1" 1" 4. 3/16" 2. 11/16" 4. 5/8" 1. 15/16" 27/32" 2. 13/16"
2" 2. 11/16" 1/4" 1" 1" 4. 3/4" 3" 5. 1/32" 2. 1/4" 1. 1/16" 3. 7/32"
2.1/2" 3" 1/4" 1" 1" 5. 1/32" 3. 25/32" 5. 13/16" 2. 1/4" 1. 1/16" 3. 7/32"
3" 3. 25/32" 3/8" 1" 1. 1/8" 6" 4. 3/4" 6. 15/16" 2. 3/8" 1. 3/16" 3. 17/32"
4" 4. 23/32" 3/8" 1" 1. 1/8" 6. 15/16" 5. 11/16" 7. 15/16" 2. 3/8" 1. 3/16" 3. 17/32"
5" 5. 11/16" 1/2" 1" 1. 1/8" 7. 15/16" 6. 1/2" 8. 11/16" 3. 1/8" 1. 7/32" 3. 3/4"
6" 6. 1/2" 1/2" 1. 3/8" 1. 1/4" 9. 1/4" 7. 5/8" 10. 3/8" 2. 3/4" 1. 1/2" 4. 1/4"
8" 8. 21/32" 3/4" 1. 3/8" 1. 1/4" 11. 7/16" 9. 3/4" 12. 1/2" 4. 7/32" 1. 1/2" 4. 1/2"
DIAMETRO
CILINDRO
XA + CARRERA LG + CARRERA ØMM CC A AC W
1" 1. 13/32" 1. 3/4" 3/8" 3/8"-24 3/4" 1" 3/8"
1.1/4" 1. 3/4" 2. 13/64" 1/2" 1/2"-20 25/32" 1. 1/4" 7/16"
1.1/2" 1. 15/16" 2. 7/16" 5/8" 5/8"-18 7/8" 1. 13/32" 3/4"
2" 2. 1/4" 2. 3/4" 5/8" 5/8"-18 7/8" 1. 13/32" 5/8"
2.1/2" 2. 1/4" 2. 3/4" 5/8" 5/8"-18 7/8" 1. 13/32" 5/8"
3" 2. 3/8" 2. 15/16" 1" 1"-14 1. 3/16" 1. 7/8" 51/64"
4" 2. 3/8" 2. 15/16" 1" 1"-14 1. 3/16" 1. 7/8" 51/64"
5" 3. 1/8" 3. 5/32" 1" 1"-14 1. 3/16" 1. 7/8" 51/64"
6" 2. 3/4" 3. 1/2" 1. 1/2" 1. 1/4"-12 1. 21/32" 2. 13/32" 5/8"
8" 4. 7/32" 3. 3/4" 1. 3/4" 1. 1/2"-12 2" 2. 3/4" 5/8"
 
  Descargar PDF
 
 

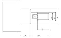
Medidas punta eje

 

 

 

 

 

 

 

 

 


DIAMETRO DE CILINDRO Ø EJE ROSCA PUNTA EJE MEDIDAS PUNTA EJE
MM CC KK LL A AC W ØB
1" 3/8" 3/8"-24 5/16"-24 1/4"-24 3/4" 1" 7/16" 19/32"
1. 1/4" 3/8" 3/8"-24 5/16"-24 1/4"-24 3/4" 1" 7/16" 19/32"
1/2" 1/2"-20 7/16"-20 5/16"-24 25/32" 1. 1/4" 7/16" 25/32"
1.1/2" 5/8" 5/8"-18 9/16"-18 7/16"-20 7/8" 1. 13/32" 5/8" 1. 1/8"
3/4" 3/4"-16 5/8"-18 1/2"-20 1" 1. 1/2" 5/8" 1. 1/4"
1" 1"-14 7/8"-14 3/4"-16 1. 3/16" 1. 7/8" 1. 1/4" 1. 1/2"
2" 5/8" 5/8"-18 9/16"-18 7/16"-20 7/8" 1. 13/32" 5/8" 1. 1/8"
3/4" 3/4"-16 5/8"-18 1/2"-20 1" 1. 1/2" 5/8" 1. 1/4"
1" 1"-14 7/8"-14 3/4"-16 1. 3/16" 1. 7/8" 1. 1/4" 1. 1/2"
2.1/2" 5/8" 5/8"-18 9/16"-18 7/16"-20 7/8" 1. 13/32" 5/8" 1. 1/8"
3/4" 3/4"-16 5/8"-18 1/2"-20 1" 1. 1/2" 5/8" 1. 1/4"
1" 1"-14 7/8"-14 3/4"-16 1. 3/16" 1. 7/8" 1. 1/4" 1. 1/2"
3" 1" 1"-14 7/8"-14 3/4"-16 1. 3/16" 1. 7/8" 25/32" 1. 1/2"
1. 1/4" 1. 1/4"-12 1"-14 3/4"-16 1. 1/4" 2" 25/32" 1. 25/32"
1.3/8" 1. 3/8"-12 1. 1/4"-12 1"-14 1. 5/8" 2. 1/4" 25/32" 1. 31/32"
1. 1/2" 1. 1/2"-12 1. 1/4"-12 1"-14 1. 5/8" 2. 1/4" 25/32" 2. 1/8"
4" 1" 1"-14 7/8"-14 3/4"-16 1. 3/16" 1. 7/8" 25/32" 1. 1/2"
1. 1/4" 1. 1/4"-12 1"-14 3/4"-16 1. 1/4" 2" 25/32" 1. 25/32"
1.3/8" 1. 3/8"-12 1. 1/4"-12 1"-14 1. 5/8" 2. 1/4" 25/32" 1. 31/32"
1. 1/2" 1. 1/2"-12 1. 1/4"-12 1"-14 1. 5/8" 2. 1/4" 25/32" 2. 1/8"
1. 3/4" 1. 3/4"-12 1. 1/2"-12 1. 1/4"-12 2" 2. 3/4" 25/32" 2 . 5/16"
5" 1" 1"-14 7/8"-14 3/4"-16 1. 3/16" 1. 7/8" 25/32" 1. 1/2"
1. 1/4" 1. 1/4"-12 1"-14 3/4"-16 1. 1/4" 2" 25/32" 1. 25/32"
1.3/8" 1. 3/8"-12 1. 1/4"-12 1"-14 1. 5/8" 2. 1/4" 25/32" 1. 31/32"
1. 1/2" 1. 1/2"-12 1. 1/4"-12 1"-14 1. 5/8" 2. 1/4" 25/32" 2. 3/64"
1. 3/4" 1. 3/4"-12 1. 1/2"-12 1. 1/4"-12 2" 2. 3/4" 25/32" 2 . 5/16"
2" 2"-12 1. 3/4"-12 1. 1/2"-12 2. 1/4" 3. 1/8" 25/32" 2. 3/4"
6" 1. 1/2" 1. 1/2"-12 1. 1/4"-12 1"-14 1. 5/8" 2. 1/4" 25/32" 2. 1/8"
1. 3/4" 1. 3/4"-12 1. 1/2"-12 1. 1/4"-12 2" 2. 3/4" 25/32" 2 . 5/16"
2" 2"-12 1. 3/4"-12 1. 1/2"-12 2. 1/4" 3. 1/8" 25/32" 2. 3/4"
2. 1/2" 2. 1/2"-12 2.1/4"-12 1. 7/8"-12 3" 4" 25/32" 3. 7/32"
8" 1. 3/4" 1. 3/4"-12 1. 1/2"-12 1. 1/4"-12 2" 2. 3/4" 5/8" 2 . 5/16"
2" 2"-12 1. 3/4"-12 1. 1/2"-12 2. 1/4" 3. 1/8" 5/8" 2. 3/4"
2. 1/2" 2. 1/2"-12 2.1/4"-12 1. 7/8"-12 3" 4" 5/8" 3. 7/32"
3" 3"-12 2. 3/4"-12 2. 1/4"-12 3. 1/2" 4. 1/2" 5/8" 3. 3/4"
 
  Descargar PDF
     
 
 

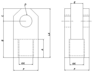
Horquilla

 

 

 

 

 

 

 

DIAMETRO CILINDRO HORQUILLA
A B C ØD E F KK LA
1" 5/8" 1. 7/32" 3/8" 5/16" 3/8" 3/4" 3/8"-24 1. 9/16"
1.1/4" 5/8" 1. 7/32" 3/8" 5/16" 3/8" 3/4" 3/8"-24 1. 9/16"
1.1/2" 3/4" 1. 1/2" 1/2" 1/2" 1/2" 1" 5/8"-18 2"
2" 3/4" 1. 1/2" 1/2" 1/2" 1/2" 1" 5/8"-18 2"
2.1/2" 3/4" 1. 1/2" 1/2" 1/2" 1/2" 1" 5/8"-18 2"
3" 1. 3/16" 2. 3/8" 3/4" 3/4" 3/4" 1. 1/2" 1"-14 3. 1/8"
4" 1. 3/16" 2. 3/8" 3/4" 3/4" 3/4" 1. 1/2" 1"-14 3. 1/8"
5" 1. 3/16" 2. 3/8" 3/4" 3/4" 3/4" 1. 1/2" 1"-14 3. 1/8"
6" 1. 5/8" 3. 3/16" 1" 1" 1" 2" 1. 1/4"-12 4. 3/16"
8" - - - - - - - -
 
  Descargar PDF
 

 

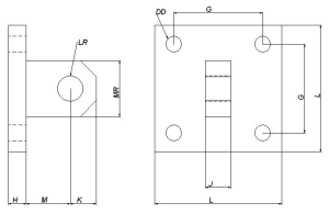
Soporte macho


 

 

 

DIAMETRO CILINDRO SOPORTE MACHO
LR ØDD G H J K L M MR
1" 5/16" 3/16" 1" 3/8" 3/8" 5/16" 1. 7/16" 1/2" 5/8"
1.1/4" 5/16" 1/4" 1. 3/8" 3/8" 3/8" 3/8" 1. 27/32" 5/8" 7/8"
1.1/2" 1/2" 21/64" 1. 3/4" 3/8" 1/2" 1/2" 2.1/2" 7/8" 1. 1/8"
2" 1/2" 21/64" 1. 3/4" 3/8" 1/2" 1/2" 2.1/2" 7/8" 1. 1/8"
2.1/2" 1/2" 21/64" 1. 3/4" 3/8" 3/4" 1/2" 2.1/2" 7/8" 1. 1/8"
3" 3/4" 33/64" 1. 5/16" 5/8" 1" 3/4" 3. 9/16" 1. 1/4" 1. 3/4"
4" 3/4" 33/64" 1. 5/16" 5/8" 1" 3/4" 3. 9/16" 1. 1/4" 1. 3/4"
5" 3/4" 33/64" 2. 9/16" 5/8" 1. 1/4" 3/4" 3. 3/4" 1. 1/4" 1. 3/4"
6" 1" 21/32" 3. 1/4" 3/4" 1. 1/2" 1" 4. 1/2" 1. 1/2" 2"
8" 1" 21/32" 3. 1/4" 3/4" 1. 1/2" 1" 4. 1/2" 1. 1/2" 2"
 
  Descargar PDF